閘閥
球閥
蝶閥
截止閥
止回閥
平衡閥
調節閥
電磁閥
減壓閥
隔膜閥
疏水閥
安全閥
阻火器
呼吸閥
管夾閥
針型閥
柱塞閥
旋塞閥
放料閥
角座閥
液化氣閥門
波紋管閥門
低溫閥門
鍛鋼閥門
陶瓷閥門
氧氣閥門
消防閥門
電站閥門
通用閥門
水力控制閥
生產地址:上海市奉賢區東方紅路1035號
銷售熱線:13817855033
銷售手機:13817855033
圖文傳真:+86-021-51645825
公司郵箱:858208305@qq.com
公司網址: http://m.gadezhaoye.com
銷售熱線:13817855033
銷售手機:13817855033
圖文傳真:+86-021-51645825
公司郵箱:858208305@qq.com
公司網址: http://m.gadezhaoye.com
產品中心
SFNZF氣動煤氣水封逆止閥用途
該閥系消化吸收國外先進技術基礎上,自行研制開發的新一代產品,適用于轉爐煙氣凈化與煤氣回收喜用中,作為與氣動三通煤氣切換閥連鎖的關鍵設備,安裝于三通煤氣切換閥之后煤氣柜之前,以防止三通煤氣切換閥關閉時嚴時煤氣經三通閥倒流入風機。
SFNZF氣動煤氣水封逆止閥主要性能參數
全自動煤氣水封逆止閥主要零件材料
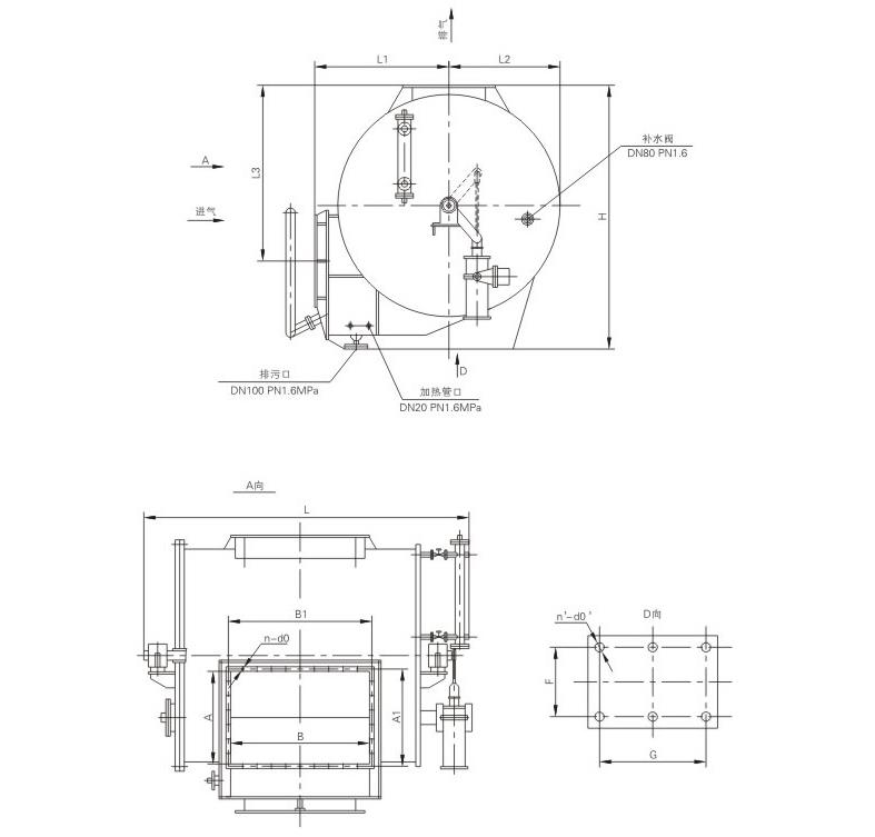
全自動煤氣水封逆止閥結構簡圖
SFNZF-0.1C主要連接尺寸、外形尺寸及重量
全自動煤氣水封逆止閥底座安裝尺寸
SFNZF氣動煤氣水封逆止閥結構特點
1.水封逆止閥主要由閥體、回轉蓋、閥軸、氣動裝置及注水裝置、溢流裝置、水位控制裝置、加熱與保溫裝置等組成。
2.采用全封閉外殼,操作時介質不向外泄漏,避免環境污染。
3.在全開位置時,介質通過閥門時的流阻接近為零,在閥門處于關閥位置時,靠水封實現煤氣的自動逆止和可靠割斷。
4.具有自動補水功能,使水位始終保持在高、低位之間,且具有高、低、極限低水位狀態顯示及極限低水位報警裝置。
5.能實現遠傳和就地控制,并可以實現計算機接口。
6.在轉爐煙氣凈化與煤氣回收系統中,與氣動三通煤氣切換閥和啟動旁通煤氣切斷閥共用一套控制柜,實現系統聯鎖自動運行。




